Perth Appliance Spares
810930075 Smeg Oven Stove Igniter - 810930074
810930075 Smeg Oven Stove Igniter - 810930074
Packed with care, dispatched swiftly within 1-2 business days.
This item is in stock and will be carefully packed and dispatched within 1-2 business days of your order. Same day dispatch is available if your order is placed before 13:30.
Pickup available at Perth Appliance Spares
Usually ready in 24-48 hours
Perth Appliance Spares
Pickup available, usually ready in 24-48 hours
1/79 Farrall Road
Perth Appliance Spares
Midvale WA 6056
Australia
0863907132
810930075 Smeg Oven Stove Igniter - 810930074
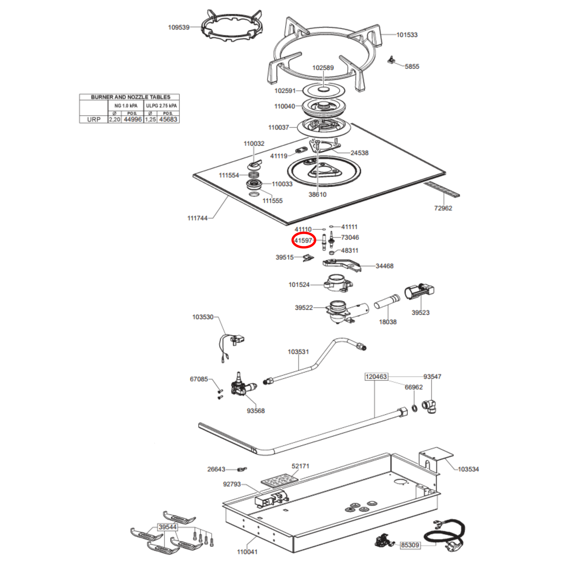
810930075 supersedes 810930074 and is number 41597 on the diagram. The diagram is from model PV631CNXAU.
Models this part suits:
SAR574X2, PV631CNXAU, CIR66XS3, SRA975PGH, CIR93AXS3, and possibly more.
Give us a call on 0863907132 if you are not sure about this part.
Share

Subscribe to our emails
Be the first to know about new collections and exclusive offers.
- Choosing a selection results in a full page refresh.
- Opens in a new window.