Perth Appliance Spares
973913041058014 Simpson Top Load Washing Machine Main PCB - 0133200118A
973913041058014 Simpson Top Load Washing Machine Main PCB - 0133200118A
Sourced from our suppliers and typically ready within 3-10 business days
This item is sourced from our suppliers and typically ready for local pickup or delivery within 3-10 working days. This may be affected by supplier availability, which is out of our control.
Pickup currently unavailable at Perth Appliance Spares
Usually ready in 24-48 hours
Perth Appliance Spares
Pickup currently unavailable, usually ready in 24-48 hours
1/79 Farrall Road
Perth Appliance Spares
Midvale WA 6056
Australia
0863907132
973913041058014 Simpson Top Load Washing Machine Main PCB - 0133200118A
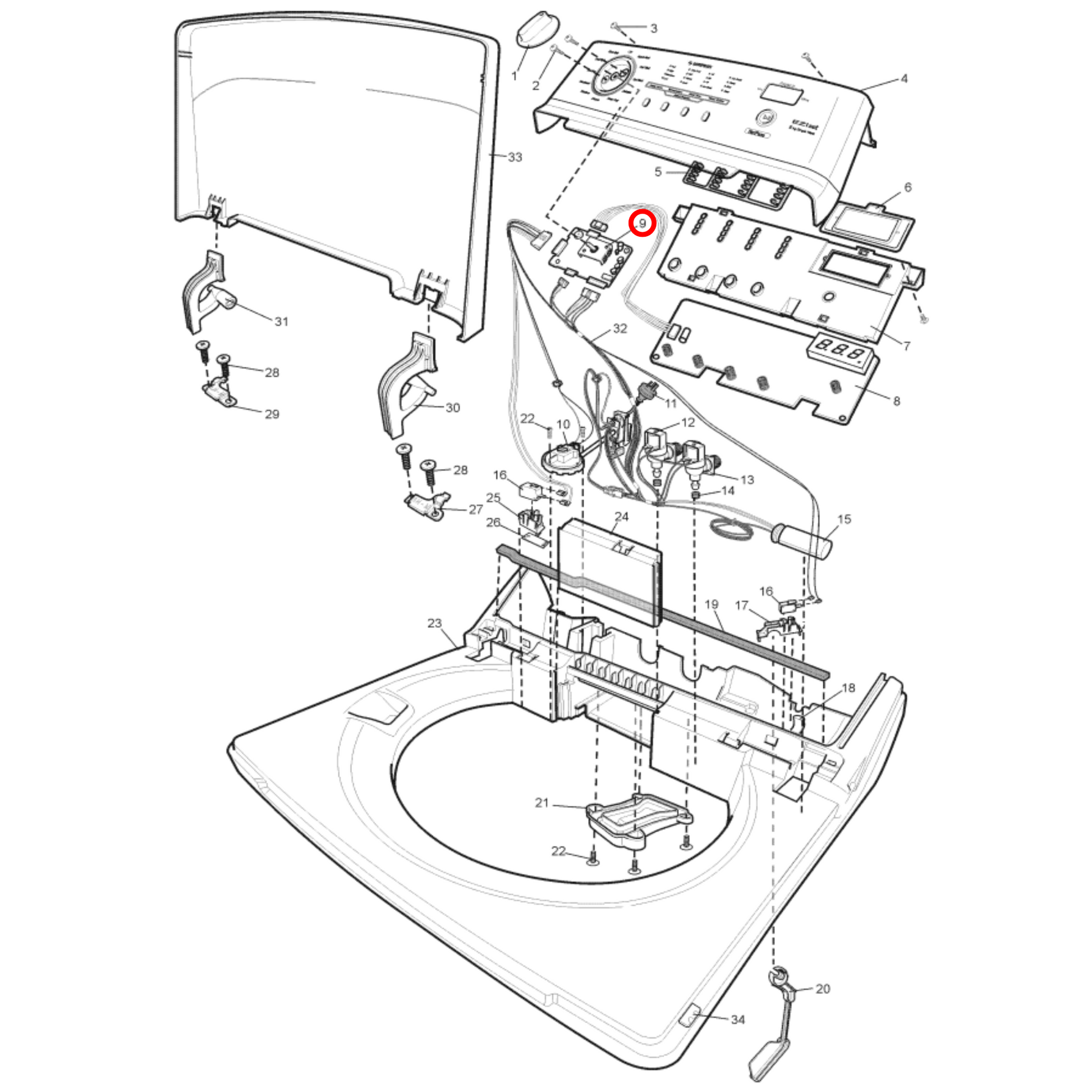
973913041058014 supersedes 0133200118A and is number 9 on the diagram. The diagram is from model SWT5542 (91304111900).
Models this part suits:
SWT5542 (91304111900), SWT554 (91304105801), SWT554 (91304105802), and possibly more.
Give us a call on 0863907132 if you are not sure about this part.
Share

Subscribe to our emails
Be the first to know about new collections and exclusive offers.
- Choosing a selection results in a full page refresh.
- Opens in a new window.